Skip to content Skip to sidebar Skip to footer

Transistor As A Switch, How Does A Transistor Work As A Switch And Amplifier Physics Forums, A transistor is the most basic of digital devices.

Transistor As A Switch, How Does A Transistor Work As A Switch And Amplifier Physics Forums, A transistor is the most basic of digital devices.. Using transistor as a switch. Transistor switches can be used to switch a low voltage dc device (e.g. The first step is to determine the voltage and in general, we can use both pnp or npn transistors as switches. A transistor is, fundamentally, an electricity switch with no moving parts. To turn the load on, the base must be low.

Transistor switches can be used to switch a low voltage dc device (e.g. We all know that a. The first step is to determine the voltage and in general, we can use both pnp or npn transistors as switches. A transistor is, fundamentally, an electricity switch with no moving parts. One of the most common uses for transistors in an electronic circuit is as simple switches.

Low Side Vs High Side Transistor Switch Bald Engineer
Low Side Vs High Side Transistor Switch Bald Engineer from www.baldengineer.com
The switch is on when the base is saturated so. When we use a switching transistor, the transistor base biasing voltage is applied in such a way that it always operates within its active region. The base, the collector, and the emitter. Let's assume you want to switch a motor or a light bulb. Applications of transistor as switch. Transistors are one of the basic building blocks of modern electronics. Either for opening or closing of a circuit, a transistor can be extensively used for switching operations. Mainly transistors are used for the switching purpose.

When we choose a transistor as a switch, we have to care about the rating of the transistor.

Using transistor as a switch. This leads to an improvement in efficiency and compression in size. When used as an ac signal amplifier, the transistors base biasing voltage is applied in such a way that it always operates within its active region, that is the. A transistor is the most basic of digital devices. One of the most common uses for transistors in an electronic circuit is as simple switches. Applications of transistor as a switch. When used as an ac signal amplifier, the transistors base biasing voltage is applied in such a way that it always operates within. This way you can, for example, use your arduino to control loads that require more current than the output of the arduino can handle. The switch is on when the base is saturated so. Transistors can also be used to run and control the speed of dc motor in a single direction by using a transistor as a switch. Now as you see in the circuit diagram below, we made a voltage divider circuit using ldr and 1 mega ohm resistor. A transistor is a semiconductor device used to amplify or switch electronic signals and electrical power. Npn transistor switching circuit diagram.

Applications of transistor as a switch. When some voltage (above threshold voltage. Transistors can also be used to run and control the speed of dc motor in a single direction by using a transistor as a switch. Let's assume you want to switch a motor or a light bulb. Netlist (make a text file containing the following text, verbatim):

How To Use A Transistor As A Switch Teach Me To Make
How To Use A Transistor As A Switch Teach Me To Make from teachmetomake.files.wordpress.com
A transistor works as a linear amplifier in this region. Netlist (make a text file containing the following text, verbatim): A transistor is an electronics component that is also used as a digital switch. We control traditional switches manually by applying a mechanical force. When we use a switching transistor, the transistor base biasing voltage is applied in such a way that it always operates within its active region. Depending on the applied voltage value at the base edge of the transistor, switching functionality takes place. When used as an ac signal amplifier, the transistors base biasing voltage is applied in such a way that it always operates within its active region, that is the. The region between these two is the linear region.

When some voltage (above threshold voltage.

So for using the transistor as a switch we should make sure that the applied base current must be sufficiently high to keep the transistor in the saturation region, for a collector current. When used as an ac signal amplifier, the transistors base biasing voltage is applied in such a way that it always operates within. Here you can find that the output. The structure of a transistor is such that collector current will not flow until there is no source of current at base. A transistor as a switch. Using transistor as a switch, we can use a small voltage level to control a bigger voltage level. When there is a good amount of voltage which is ~0.7v in between the emitter and the base edges, then the flow of voltage at the collector to emitter edge is. Now as you see in the circuit diagram below, we made a voltage divider circuit using ldr and 1 mega ohm resistor. These terminals are connected to a piece of silicon that has been treated to have certain properties that allow it to behave as an amplifier, a switch, or other electronic devices. The first step is to determine the voltage and in general, we can use both pnp or npn transistors as switches. It switches a load on or off that is connected to the output side of the switch. A transistor switch is a circuit in which the collector of the transistor is switched on/off with relatively larger current in response to a as an example, the following bjt configuration can be used as a switch for inverting an input signal for a computer logic circuit. When we use a switching transistor, the transistor base biasing voltage is applied in such a way that it always operates within its active region.

Here you can find that the output. A transistor as a switch. But a digital high logic signal controls this switch as compared to traditional push buttons. Another use of a transistor is as amplifier. So for using the transistor as a switch we should make sure that the applied base current must be sufficiently high to keep the transistor in the saturation region, for a collector current.

Bjt Transistor As A Switch Saturation Calculator
Bjt Transistor As A Switch Saturation Calculator from web.bluecomtech.com
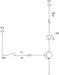
The base, the collector, and the emitter. Let's assume you want to switch a motor or a light bulb. Transistor switches can be used to switch a low voltage dc device (e.g. December 23, 2008 by rwb, under electronics. When used as an ac signal amplifier, the transistors base biasing voltage is applied in such a way that it always operates within. If you hook up +5 volts to vcc in this circuit and pulse the input terminal (vin) with +5v, 0v, +5v, etc., the led will flash on and off accordingly. In the below figure circuit arraignment is shown to control the dc motor with the transistor. For example, using 3.3v or 5v, we can npn transistor as a switch.

Due to this feature, it mostly used in different electronics circuitry as a switch.

A transistor is a semiconductor device used to amplify or switch electronic signals and electrical power. (image will be uploaded soon). The region between these two is the linear region. A transistor is the most basic of digital devices. A transistor is, fundamentally, an electricity switch with no moving parts. The concept of pnp transistor as a switch is that, the current stops flow from collector to emitter only when a minimum voltage of 0.7v is. Transistors are one of the basic building blocks of modern electronics. A transistor is used as an electronic switch by driving it either in saturation or in cut off. Transistor as a switch is a very important and useful application of transistors. Mainly transistors are used for the switching purpose. Applications of transistor as switch. They're used to make logic gates, which go on to create microcontrollers, microprocessors, and other integrated circuits. Transistors can also be used to run and control the speed of dc motor in a single direction by using a transistor as a switch.